Automotive Archives - 伟德软件下载安装手机版 - 伟德软件下载安装手机版 //www.yysc2022.com/category/industries-en/automotive-en/ Sat, 11 Oct 2025 12:25:25 +0000 en-US hourly 1 https://wordpress.org/?v=6.8.3 //www.yysc2022.com/wp-content/uploads/sites/10/2024/12/HTI-Logo-Favicon-100x100.png Automotive Archives - 伟德软件下载安装手机版 - 伟德软件下载安装手机版 //www.yysc2022.com/category/industries-en/automotive-en/ 32 32 K 2025 in Action: Haitian Unveils World Premiere Models and One-Step Molding Technology //www.yysc2022.com/2025/10/11/k-2025-in-action-haitian-unveils-world-premiere-models-and-one-step-molding-technology/ Sat, 11 Oct 2025 12:25:25 +0000 //www.yysc2022.com/2025/10/11/k-2025-in-action-haitian-unveils-world-premiere-models-and-one-step-molding-technology/ The post K 2025 in Action: Haitian Unveils World Premiere Models and One-Step Molding Technology appeared first on 伟德软件下载安装手机版.

]]>

At the halfway point of K 2025, the exhibition halls remain packed with visitors, and Haitian International’s booth at Hall 15 / A57 continues to draw strong attention. This year, 伟德软件下载安装手机版 presents the global debut of the MAV/F PRO high-speed injection molding machine, alongside the Jupiter Series two-platen solution featuring innovative molding technology. Covering both packaging and automotive applications, these two showcases demonstrate a tangible leap in productivity powered by solid technological strength — marking a new rise in efficiency, quality, and sustainability.

Haitian MAV/F PRO Makes Its Global Debut — The High-Efficiency, Energy-Saving Choice for the Packaging Industry

Making its debut at the show, the Haitian MAV/F PRO drew strong attention on site. Building on Haitian’s proven platform, the MAV/F PRO has been newly upgraded for packaging applications—combining high injection speed, superior stability, intelligent control, and energy-saving technology. Balancing performance, precision, and cost efficiency, it delivers a significant boost in productivity and economic return. Designed for thin-wall, multi-cavity, and high-cycle production, it is the ideal solution for maximum output and true High Performance · High Efficiency · High Return.

In the live demonstration, the Haitian MA3800VF/2330PRO turned its technical advantages into a tangible production showcase—producing 130 g PP round containers with a 2-cavity mold in a fast 7-second cycle. Integrated with an automated handling system, the setup ensured smooth and continuous production throughout the show.

This “packaging powerhouse” stands out with four core strengths — Fast, Strong, Stable, and Smart.With an injection speed of up to 800 mm/s, it gives manufacturers a clear edge in high-output, short-cycle production. The FEM-optimized platen structure and V-type toggle design ensure durability and long-term stability for large-volume manufacturing, extending mold life and reducing hidden costs. Equipped with intelligent HT·XTEND functions, it offers a smarter operation and production management experience. Energy savings of up to 30% can be achieved, with specific energy consumption as low as 0.37 kWh/kg — delivering true “high efficiency without high consumption.”

Haitian JU Series Two-Platen Machine Enables One-Step Molding — A Dual Leap in Sustainability and Efficiency

Focusing on the automotive industry’s demand for greener production and process simplification, the Haitian JU6500V-2250 showcased an innovative one-step molding solution for exterior parts. By combining recycled materials with pre-decorated, paint-free film inserts, it opens a new path toward achieving both sustainability and efficiency in automotive exterior manufacturing.

In the live demonstration, the Haitian JU6500V-2250 used recycled polypropylene material and applied paint-free one-step molding technology to produce a 450 g automotive fender component within a 70-second cycle — showcasing a truly green and efficient production process.

In this demonstration, the preformed decorative film was placed directly into the mold and integrally molded with the recycled material during injection — eliminating traditional steps such as transfer, painting, and trimming. The molded parts came out with a high-quality decorative surface that met assembly standards right away — “ready to use out of the mold.” This simplified the production process, significantly improved efficiency, and reduced material waste and cycle time, all while ensuring premium surface quality.

The entire process, from film loading to part removal, was fully automated with Haitian Smart Solutions’ turnkey automation system. It was also equipped with the Go Factory system for real-time production monitoring and management. Meanwhile, the integrated HT·XTEND Inject function continuously optimized the molding process, ensuring stable product quality even when using recycled materials. These innovations present new ideas for sustainable automotive manufacturing, demonstrating the seamless fusion of automotive production and the circular economy.

The Haitian MAV/F PRO delivers a breakthrough in efficiency and cost performance for the packaging industry with its outstanding high-speed capabilities, while the innovative sustainable manufacturing technology of the Haitian Jupiter Series opens new development paths for the automotive sector. These two showcases represent not only a display of technology but also Haitian’s active exploration of future smart manufacturing models.

K 2025 continues until October 15 — Haitian International warmly welcomes all visitors to Hall 15 / A57 to explore the future of injection molding technology and join us in advancing the industry toward greater efficiency, sustainability, and green manufacturing.

The post K 2025 in Action: Haitian Unveils World Premiere Models and One-Step Molding Technology appeared first on 伟德软件下载安装手机版.

]]>
Haitian International Debuts at K 2025 //www.yysc2022.com/2025/10/09/haitian-international-debuts-at-k-2025/ Thu, 09 Oct 2025 01:34:35 +0000 //www.yysc2022.com/2025/10/09/haitian-international-debuts-at-k-2025/ The post Haitian International Debuts at K 2025 appeared first on 伟德软件下载安装手机版.

]]>

On October 8, the world’s leading plastics exhibition — K 2025 International Plastics and Rubber Trade Fair — kicked off in Düsseldorf, Germany. Under the theme “Level Up! Your Advantage”, Haitian International made a grand appearance at Hall 15, Booth A57, showcasing its comprehensive Injection Molding +” solutions. With multidimensional technological innovations, Haitian empowers customers worldwide to achieve all-round value enhancement.

On the opening day, the Haitian International booth welcomed a continuous stream of professional visitors and technical experts, engaging in lively face-to-face discussions with Haitian’s team on process details. Haitian engineers, professional and attentive, moved between machines explaining key parameters and turning technical data into service commitments, allowing visitors to experience the powerful rhythm of intelligent manufacturing in real operation.

At this year’s exhibition, Haitian International focused on four key industries — packaging, medical, automotive, and optical — presenting five intelligently designed application scenarios. Through multidimensional displays of production efficiency, flexible integration, digital intelligence, and industry expansion, the company guided visitors into a new vision of smart manufacturing.

Stepping into the booth, the two world premiere packaging models — Zhafir Zeres F all-electric packaging machine and Haitian Mars F PRO servo-hydraulic high-speed machine — immediately became the highlight of the show. With their exceptional performance, they drew crowds of visitors who witnessed the technological innovation and performance leap in the packaging industry.

The Zhafir Zeres Series medical injection molding solution for COC syringe barrels showcased full-process traceability, highlighting the cleanliness and precision demanded by the medical industry and drawing strong interest from professionals exploring collaboration opportunities. Meanwhile, the Haitian Jupiter two-platen machine’s “one-step molding” technology for automotive exterior parts also became a major highlight of the show, earning high praise from visitors for its outstanding performance in improving production efficiency and product consistency.

At the same time, Niigata’s all-electric vertical injection molding machine made its debut at the show, presenting a new solution for optical insert molding. The exhibit opened up new possibilities for high-precision molding and drew strong attention from industry professionals, who watched closely and nodded in appreciation.

In addition, high-precision CNC machines and integrated automation solutions from Haitian Precision and Haitian Smart Solutions were also showcased, presenting a comprehensive “Injection Molding +” system solution. Together, they demonstrated Haitian Machinery’s deep expertise and forward-looking innovation in the field of intelligent manufacturing.

From the outstanding performance of individual machines to the flexible integration between systems and the development of a complete industrial ecosystem, Haitian Machinery is driving a full value-chain upgrade for customers worldwide. Through cross-field synergy, systematic innovation, and turnkey solutions, the company transforms its philosophy of “Creating Value, Expanding Advantage” into tangible benefits for its global partners.

K 2025 will continue until October 15. In the days ahead, Haitian International will remain open and welcoming at Hall 15, Booth A57, greeting all industry peers committed to progress and technological advancement. We look forward to your visit — or to your continued attention to our online coverage.

No matter how you reach us, Haitian International remains dedicated to the same focus and respect — turning every injection, every set of technical parameters, and every traceable record into a lasting mark of efficiency, quality, and sustainable advancement in your factory.

The post Haitian International Debuts at K 2025 appeared first on 伟德软件下载安装手机版.

]]>
Partnership Elevates Auto Parts Production //www.yysc2022.com/2024/09/13/partnership-elevates-auto-parts-production/ Fri, 13 Sep 2024 03:41:13 +0000 //www.yysc2022.com/2024/09/13/partnership-elevates-auto-parts-production/ The post Partnership Elevates Auto Parts Production appeared first on 伟德软件下载安装手机版.

]]>

Valeo Group is a French industrial group specializing in the design, development, production, and sale of automotive parts, systems, and modules. As one of the world’s leading automotive parts suppliers, Valeo provides comprehensive solutions to all major car manufacturers globally.

As a key base in northern China, Valeo’s Changchun division is a modern automotive parts manufacturing facility that integrates R&D, production, and sales. It focuses on producing essential components such as automotive air conditioning, engine cooling modules, and active grille shutters. The company demonstrates strong market competitiveness and development potential through its advanced technology and efficient management.

Changchun, the cradle of China’s automotive industry, bears the legacy and ambitions of the country’s automotive manufacturing sector. This land has witnessed the thriving development of China’s automotive industry and fostered the rise of both domestic and international automotive and parts manufacturing companies, creating a complete industrial chain.

Recently, we had the privilege of visiting this iconic automotive city and Valeo’s Changchun division, where we explored the company’s expertise and forward-thinking approach in automotive manufacturing with Equipment Manager Mr. Wei Xuedong.

 

01 Two-Platen Machines More Space and Higher Efficiency


Haitian Two-platen Machines in Operation

On Valeo’s production line, Haitian two-platen machines play a vital role. With stringent requirements for automotive parts, Valeo not only pursues precision but also values production efficiency. Injection molding machines are crucial to the production process, and Mr. Wei Xuedong’s professional insight and careful approach are evident when selecting equipment. He highlighted the importance of plasticizing screw components and control precision as the core of injection molding machines. Haitian machines have won Valeo’s trust with their outstanding performance and consistent quality.

Inside the workshop, multiple Haitian injection molding machines are operating at full capacity. The two-platen machines, known for their compact design and high production efficiency, maximize productivity in limited spaces. They precisely shape each automotive part, significantly improving production efficiency while maintaining high product quality, embodying Valeo’s commitment to excellence.

 

02 Multi-componentInjection Molding Machines A Powerful Tool for Precision Manufacturing


Haitian’s Multi-component Injection Molding Solution

Last year, Valeo introduced Haitian’s multi-component injection molding solution, enabling the production of complex, multifunctional automotive parts such as multi-colored, multi-material interior components. This customized solution offers Valeo greater flexibility to meet changing market demands.

Wei shared, “The Haitian equipment we are currently using meets all of our requirements. Its CMK values, in some instances, exceed 3, with an average of about 2.2.” Haitian machines not only meet Valeo’s operational needs but also provide exceptional quality assurance with their high CMK values.

 

03 Excellence in Service Builds Trust

What impresses Valeo most is Haitian’s after-sales service. When comparing with other brands in the industry, Mr. Wei gave Haitian the highest praise: “What I appreciate most is Haitian’s after-sales team—they are highly efficient, and their service is undoubtedly the best!” Haitian’s team responds quickly and effectively, resolving technical issues and ensuring smooth production. This level of satisfaction is no coincidence; it is the result of Haitian’s ongoing pursuit of quality improvement and service optimization over the years.

As the sun set over the bustling workshop, our visitcame to an end. The collaboration between Haitianand Valeo represents the perfect blend of technologyand customer needs as well as the harmonious resonance ofinnovation and stability.In the ever-evolvingautomotive industry, Haitian injection molding ma.chines have earned Valeo’s trust and support withtheir reliable product quality and excellent after-sales service.

As technology continues to advance and our partner.ship deepens, Haitian and Valeo will jointly usher inautomotive manufacturing, driving progress in theindustry with outstanding products and services.

The post Partnership Elevates Auto Parts Production appeared first on 伟德软件下载安装手机版.

]]>
Haitian Expanded Injection PP (EIPP) solution enables lightweighting for automotive industries //www.yysc2022.com/2023/07/22/haitian-expanded-injection-pp-eipp-solution-enables-lightweighting-for-automotive-industries/ Sat, 22 Jul 2023 01:00:29 +0000 //www.yysc2022.com/2023/07/22/haitian-expanded-injection-pp-eipp-solution-enables-lightweighting-for-automotive-industries/ The post Haitian Expanded Injection PP (EIPP) solution enables lightweighting for automotive industries appeared first on 伟德软件下载安装手机版.

]]>

Lightweighting is a trend in many industries, including automotive, logistics, packaging and construction, as it leads to significant cost savings, lower energy consumption and lower carbon emissions.

With the increasing relevance of the eMobility sector, lightweighting places higher demands on molding technology for automotive parts. Haitian has been heavily involved in the automotive industry for many years and understands the limitations of traditional processes. Therefore, the company actively plans to the optimization of parts and the use of new materials by innovating injection molding processes.

Foaming technology:

A high-precision injection molding technology that is mainly used to reduce the weight of products. It significantly improves part deformation and dimensional stability (stress relief during injection) while reducing clamping force.

The technology includes physical foaming and chemical foaming. EIPP is a chemical foaming process in which the surface is foamed after injection and has a low contact temperature with the mold. In contrast, the center has a high temperature, resulting in foam release in the direction of mold cavity expansion, with dimensions controlled to +/- 0.03 mm accuracy based on precise foam expansion control.

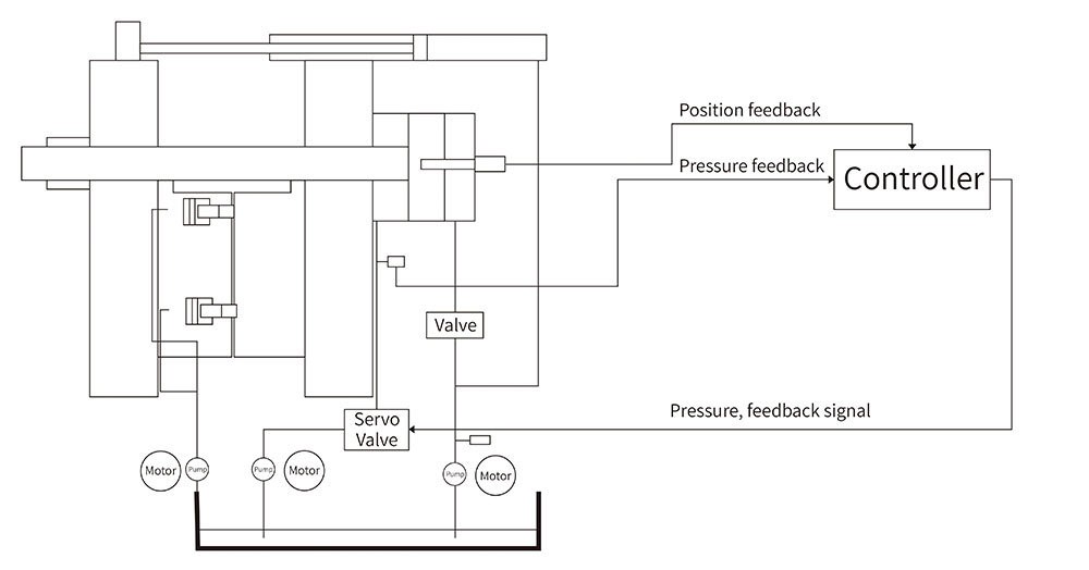
Precision control technology and positioning accuracy:

The controller plans the movement curve based on the required process positioning and speed, and reads real-time position data from digital transducers on the tie bar (or mold) and pressure sensor data from the hydraulic system. It then quickly calculates the deviation between the actual and theoretical spatial position of the tie bar (or mold). The controller dynamically adjusts the hydraulic power system and the high-frequency response servo valve system based on the deviation to achieve stability of the mechanism’s spatial state and high-precision positioning of the platen (or mold).


Closed-loop control system

Advantages of EIPP:

  1. Quality improvement: higher dimensional stability and improved molding of the housing.
  2. Cost reduction: Shorter cycles, material savings, optimized part design, longer mold life and reduced machine tonnage.
  3. Time savings: faster mold validation, optimization of part and mold design.

Currently, this process is widely used in the production of automotive interior parts such as door panels. Lightweight design is a crucial step in the development with the eMobility sector. In response to the ever-changing market trends, Haitian will actively explore new processes, technologies and products to accelerate the application of technological achievements in the field of new energy vehicles and continuously support the automotive industry.

The post Haitian Expanded Injection PP (EIPP) solution enables lightweighting for automotive industries appeared first on 伟德软件下载安装手机版.

]]>